Beregnungsprogramme
Was sind Beregnungsprogramme?
Beregnungsprogramme sind automatische Einstellungen, die dafür sorgen, dass bestimmte Feldbereiche gezielt mehr Wasser erhalten – ohne andere Bereiche zu über versorgen.
-
Steuern Sektorverstellung und ggf. AutoSpeed.
-
Ideal zur Optimierung der Wassermenge in kritischen Zonen.
-
Funktionieren in festgelegten Phasen (Start- und Endprogramme).
Wie funktionieren sie?
-
Der Regner passt an bestimmten Positionen automatisch den Beregnungssektor an.
-
AutoSpeed wird bei Bedarf zeitweise überschrieben.
-
Kritische Zonen werden dadurch langsamer und intensiver bewässert.
Aktivierung in der App:
-
Regner auswählen
-
Tippen auf „Mehr“
-
Gehe zu „Einstellungen“ → „Sektorverstellung“
-
„Sektorverstellung“ aktivieren (ON)
-
Im Bereich „Beregnungsprogramm“ → ebenfalls aktivieren (ON)
-
Start- und Endprogramm auswählen
Aktivierung im Portal:
-
Regner auswählen
-
Klicke auf das Fernsteuerungssymbol
-
Dann auf „Weitere Einstellungen“
-
Gehe zu „Einstellungen“ → „Sektorverstellung“
-
„Sektorverstellung“ aktivieren (ON)
-
Im Bereich „Beregnungsprogramm“ → ebenfalls aktivieren (ON)
-
Start- und Endprogramm auswählen
Programmauswahl & Varianten:
-
Verschiedene Start- und Endprogramme wählbar.
-
Komplexere Programme enthalten mehr Bewässerungsphasen.
-
Kurvenprogramm nur für Selbstfahrer auf einer Gasse geeignet.
Hinweis zur Nutzung ohne Fernsteuerung: Programme funktionieren auch ohne AutoSpeed.
Achtung: Ohne AutoSpeed kann die Wasserverteilung weniger präzise sein, da der Regner zu schnell durch kritische Zonen fährt
Seitenberegnung:
Der Regner beregnet gezielt die rückwärtige Schlagkante in einem Winkel von ca. 35°.
AutoSpeed wird pausiert, um die Position zu halten.
Jede Seite wird jeweils 2-mal ca. 6 Minuten beregnet (insgesamt ca. 24 Minuten).
- Nach Abschluss wird AutoSpeed wieder aktiviert und der normale Einzug der Trommel fortgesetzt.
- ACHTUNG: wird einer der Anschläge von einem Hindernis (Schlagkante oder Ereignisbereich) so eingeschränkt, dass der anzufahrende Winkel 120° übersteigt, so wird diese Seitenphase durch einen größtmöglichen Vollkreis ersetzt.
AKTUELL werden getroffene Optionen wie maximale Fläche und Beregnung vor der Trommel dann ignoriert!!!- GRAFIK FOLGT
Schlagkantenberegnung
Wird aktiviert, wenn der Abstand zur Schlagkante größer oder gleich der Wurfweite ist.
AutoSpeed wird pausiert, der Sektor richtet sich direkt auf die Schlagkante.
Beregnung erfolgt für ca. 12 Minuten in dieser Position.
Anschließend wird AutoSpeed reaktiviert und der Regner zieht normal weiter ein.
Reduzieren der Überberegnung:
- Nach der Schlagkantenberegnung wird der AutoSpeed erhöht und der Sektor auf den Standardwinkel gestellt.
- Verhindert eine Überberegnung der zuvor intensiv bewässerten Zone.
- Diese Phase läuft, bis die Kanone ca. 1,5 Wurfweiten von der Schlagkante entfernt ist.
- Danach wird der AutoSpeed wieder auf den Sollwert zurückgestellt.
Die Phasen des Endprogramms:
Startet, sobald der Abstand zur Schlagkante etwas größer als die Wurfweite ist.
AutoSpeed wird pausiert, der Sektor richtet sich gezielt auf die Schlagkante.
Beregnung erfolgt für ca. 12 Minuten.
Anschließend wird AutoSpeed wieder aktiviert, der Regner zieht weiter ein.
Seitenberegnung:
Sektorverstellung zielt auf die Schlagkante und beregnet ein ca. 35°-Kreissegment.
AutoSpeed wird pausiert, um die Position zu halten.
Jede Seite wird zweimal für ca. 6 Minuten beregnet (insgesamt ca. 24 Minuten).
Danach wird AutoSpeed wieder aktiviert und die Trommel zieht die Kanone normal ein.
- ACHTUNG: wird einer der Anschläge von einem Hindernis (Schlagkante oder Ereignisbereich) so eingeschränkt, dass der anzufahrende Winkel 120° übersteigt, so wird diese Seitenphase durch einen größtmöglichen Vollkreis ersetzt.
AKTUELL werden getroffene Optionen wie maximale Fläche und Beregnung vor der Trommel dann ignoriert!!!- GRAFIK FOLGT
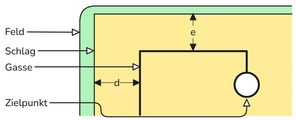
Kurvenprogramm (nur für Selbstfahrer mit Fahrgasse)
Das Kurvenprogramm erkennt automatisch Kurvenverläufe der Gasse auf dem Feld.
Es prüft die Abstände zur Feldkante (d und e), um die optimale Beregnung zu wählen.
Je nach Situation entscheidet das System:
Beregnet nach vorne zur Feldkante, wenn diese sehr nah ist.
Beregnet Ecken, wenn der Abstand zur Kante ausreichend ist.
Schlagkantenberegnung, wenn der Abstand zur Gasse klein ist.
Erkennt auch U-Kurven:
Verhindert doppelte Beregnung im inneren Bereich.
Spart Wasser auf der kurzen U-Seite.







Keine Kommentare